8-Bit CPU Design

8-Bit CPU Design

Description:

The project consisted of a custom ASIC-style CPU. Working under a team, I was in charge of the software development aspect while assisting in the hardware implementation of the 8-bit CPU. The CPU was developed in CircuitVerse (https://circuitverse.org/users/49995/projects/project-3-isa-design). Goals accomplished (problem prompt):
  • Generate array A1 - A100 following the logic of (A + B) xor C
  • Generate width W1 - W100 [e.g. 01101100 = 5]
Program Includes (Software made to represent Hardware Implementation):
  • MIPS Assembly Simulator in Python (prior project modified for custom ISA)
  • Contains 8 registers, 256 Bytes of data memory, and functional PC logic for execution
  • Outputs data memory and instruction statistics (total, alu, jump, memory, and other instructions)
  • Nine custom instructions developed for our CPU
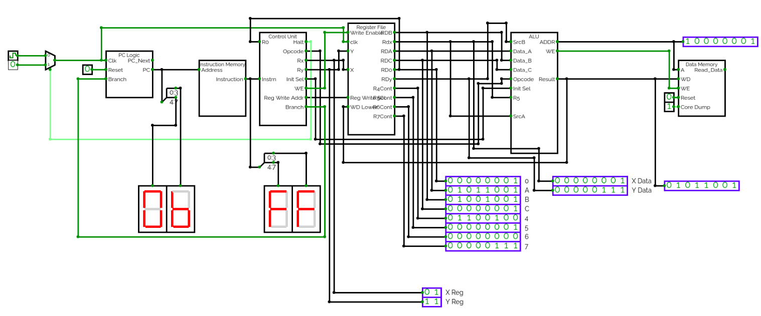
Hardware Includes (on CircuitVerse):
  • Hardware embedded implementation to compute the width of an 8-bit binary string
  • Register File containing 8 registers with one open (register 6 is free for future implementations)
  • Control Unit logic to decode and translate the nine defined instructions
  • ALU schematic to perform ALU operations
  • 64 Byte ROM for instruction memory (IM) [though we only used 16 Bytes to accomplish our goal]
  • Integration of CPU's datapath
Leveraged Knowledge
  • Assembly of CPU under ASIC conditions
  • Development using logic gates, muxes (for selection signals), decoders, etc
  • Simulation of ISA in Python that generated proper results (1:1 match of hardware implementation)
  • Use of a clock to make CPU run constantly when program starts

Download Code Here